Dieses außergwöhnliche Anwesen mit viel Platz für Ihre Familie und Ihre Hobbies befindet sich in herrlicher "grüner" Randlage der Ortschaft Klostermoor, einem Ortsteil von Rhauderfehn.
Das ca. 2.501 m² große Grundstück verfügt über einen regelmäßigen Zuschnitt und hat eine ideale Süd-West-Ausrichtung.
Straßenseitig wird der Vorgarten von einer kleinen Gartenmauer abgegrenzt. Durch zwei gemauerte Einfahrtsäulen gelangen Sie auf die ca. 40 m lange Zufahrt, die in einen großzügigen Parkbereich vor der Doppelgarage mündet. Hier befinden sich Stellplätze für mehrere Fahrzeuge (Wohnmobil geeignet). Neben der Zufahrt befinden sich noch zwei weitere Besucherparkplätze.
Der rückwärtige Garten ist in seinen Grenzen mit Bäumen und Sträuchern herrlich eingegrünt und nicht einsehbar. Hier grenzt das Grundstück an ein kleines Wäldchen und Wiesen und Weiden - Natur pur!
Das Verkaufsobjekt wurde im Jahre 1972 zunächst als geräumiger, eingeschossiger Flachbungalow mit Doppelgarage errichtet. Etwa im Jahre 1979 wurde ein größerer, eingeschossiger Erweiterungsanbau mit nicht ausgebautem Dachgeschoss (Satteldach) fertig gestellt.
Der Ausbau des Dachgeschosses erfolgte im Jahre 1985. Mit dieser Baumaßnahme entstand im Dachgeschoss eine kleine Einliegerwohnung.
Die Räumlichkeiten gliedern sich wie folgt:
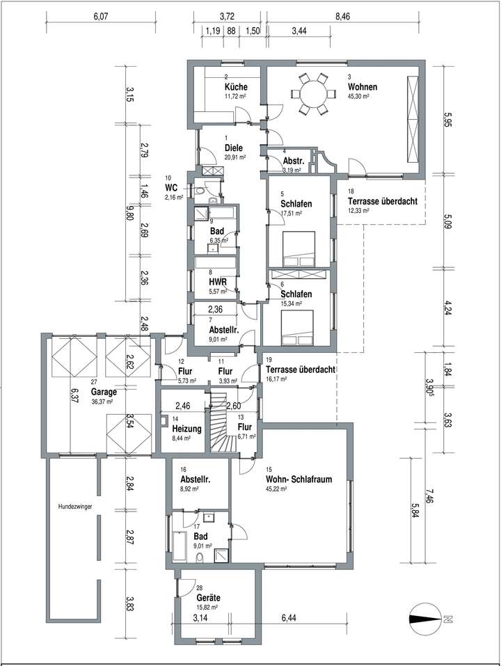
A) Flachdachbungalow (Hauptwohnung - alles ebenerdig)
Geräumiges Wohnzimmer (ca. 45 m²) mit Essbereich und Terrassenzugang, Küche, Eingangsdiele mit Flur und Gäste-WC, zwei Schlafzimmer, Badezimmer, Hauswirtschaftsraum und zwei Abstellräume.
B) Zwischenbau
Flur mit Nebeneingang, Treppenhaus und Heizungsraum, Zugang zur Doppelgarage
C) Erweiterungsanbau
Erdgeschoss: Großer Wohn- / Schlafraum (ca. 45 m²) mit Küchenanschlüssen und Terrassenzugang, Badezimmer und Abstellraum (ehemalige Sauna).
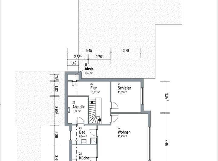
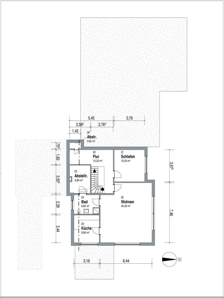
Dachgeschoss: Großes Wohnzimmer (ca. 45 m²), Schlafzimmer, Küche mit Zugang auf die nicht fertig gestellte Dachterrasse, Badezimmer, Abstellräume und Flure.
Die gesamte Wohnfläche beträgt ca. 323,63 m² zzgl. der Nutzfläche von ca. 60,63 m².
Alle Räumlichkeiten sind miteinander verbunden - ideal für eine Mehrgenerationenfamilie oder für das "Wohnen und Arbeiten unter einem Dach".
Bei Bedarf kann ohne großen baulichen Aufwand eine Aufteilung in bis zu 3 Wohneinheiten erfolgen.
Hinter der Doppelgarage befindet sich ein größerer Holzschuppen mit Geräteraum und ehemaligem Hundezwinger. Der rückwärtige Garten ist hundegerecht eingezäunt.
Die Immobilie präsentiert sich in einem gepflegten Gesamtzustand und hat bis heute laufende Bauunterhaltung mit energetischer Sanierung erfahren.
Die Übergabe erfolgt nach Vereinbarung und ist bei Bedarf kurzfristig möglich.
+++ Viel Platz für Familie und Hobbies - energetisch saniert - Mehrgenerationen geeignet! +++
26817 Rhauderfehn
Die vollständige Adresse der Immobilie erhalten Sie vom Anbieter.
Auf Karte anzeigen
Die vollständige Adresse der Immobilie erhalten Sie vom Anbieter.
Finanzierungszertifikat
In nur zwei Minuten zu Ihrem persönlichen Finanzierungszertifkat.
Infos
| Haustyp | Einfamilienhaus |
|---|---|
| Wohnfläche ca. | 323 m2 |
| Nutzfläche | 60,63 m2 |
| Grundstücksfläche | 2.501 m2 |
| Bezugsfrei ab | nach Vereinbarung |
| Zimmer | 6 |
| Schlafzimmer | 5 |
| Badezimmer | 3 |
| Garage/Stellplatz | Garage |
| Anzahl Garage/Stellplatz | 2 |
Kosten
| Kaufpreis |
395.000 € |
|---|---|
| Provision |
Die Käuferprovision beträgt 3,57 % inkl. 19 % MwSt. vom beurkundeten Kaufpreis. |
Finanzierungsrechner:
Kaufpreis:
600.000 €
Eigenkapital:
600.000 €
Monatliche Rate
0 €
Effektiver Jahreszins
0 %
Sollzinsbindung
10 Jahre
Bausubstanz & Energieausweis
| Baujahr | 1972 |
|---|---|
| Letzte Sanierung | 2022 |
| Objektzustand | Modernisiert |
| Heizungsart | Zentralheizung |
| Wesentliche Energieträger | Gas |
| Energieausweis | liegt vor |
| Energieausweistyp | Bedarfsausweis |
| Energieverbrauchskennwert | 100,2 kWh/(m²*a) |
| Energieeffizienzklasse | D |
100,2
kWh/(m²*a)
Energieeffizienzklasse D
- A+
- A
- B
- C
- D
- E
- F
- G
- H
- 0
- 25
- 50
- 75
- 100
- 125
- 150
- 175
- 200
- 225
- >250
Beschreibung des Objekts
Ausstattung
Nach Angaben der Verkäuferseite wurden u.a. folgende Modernisierungen durchgeführt.
2013 und 2014
- Einbau neuer Kunststofffenster mit 3-facher Isolierverglasung
- Nachträgliche Kerndämmung des Außenmauerwerks
- EInbau neuer Garagentore mit elektrischem Antrieb
- Einbau eines neuen Schornsteins
- Einbau eines neuen Ofens im Wohnzimmer (im Kaufpreis enthalten)
- Einbau einer neuen Einbauküche (im Kaufpreis enthalten)
- allgemeine Malerarbeiten
2015 bis 2022
- Einbau eines neuen Flachdaches mit aufwändiger Dämmung
- Vergrößerung der Terrassenüberdachung
- Einbau neuer Satellitenschüsseln
- Einbau eines behindertengerechten Badezimmers im Erdgeschoss
Lage
Einrichtungen des täglichen Bedarfs, wie z.B. Ärzte, Apotheken, Schulen, Kindertageseinrichtungen, Gastronomie, Einkaufsmöglichkeiten und Kultur- und Freizeiteinrichtungen, befinden sich in Rhauderfehn (nur ca. 5 km entfernt) oder in Papenburg (nur ca. 10 km entfernt).
Der nächstgelegende Autobahnanschluss und der nächstgelegende Bahnhof befinden sich jeweils in Papenburg.
Sonstige Angaben
Zu diesem Objekt liegt ein ausführliches Exposé mit weiteren Detailinformationen vor, das Sie gerne bei uns anfordern können.
Telefonische Erreichbarkeit:
Montag - Freitag: 8.00 Uhr - 12.30 Uhr und 14.00 Uhr bis 17.30 Uhr
Samstag: 9.00 Uhr -12.00 Uhr
Sie möchten Ihre Immobilie verkaufen.....
..... und suchen den passenden Käufer?
Unabhängig davon, ob Sie aktuell oder erst in unbestimmter Zeit Ihre Immobilie verkaufen möchten, ist eine fundierte Beratung bares Geld wert. Wir wissen, worauf es beim professionellen Verkauf Ihrer Immobilie ankommt.
Über 70 Jahre Marktpräsenz und tausende Vermittlungen sprechen für sich.
Für ein kostenfreies und informatives Beratungsgespräch stehen wir Ihnen jederzeit gerne zur Verfügung.
Grundriss
Grundriss Erdgeschoss
>
>
Grundriss Dachgeschoss
>
>
Adresse
26817 Rhauderfehn
Interessante Orte
Preis- und Lageinformationen
Preistrend für Bestandsimmobilien in Rhauderfehn