Das Reihenmittelhaus, im Jahr 1998 über 4 Ebenen errichtet/ ausgebaut liegt im Ostseebad Boltenhagen/ Ortsteil Redewisch, in ruhiger Lage, mit bester touristischer Infrastruktur. Hier können Sie zu jeder Jahreszeit die Vielfalt des Meeres genießen. Der „Wohnpark Redewisch“ im Ortsteil Redewisch, wunderschön an der Ostsee/ der Steilküste gelegen (ohne Durchgangsverkehr) ermöglicht einen sehr naturnahen, ruhigen Aufenthalt, egal ob für den Nutzer auf Zeit oder auf Dauer. Das Zentrum sowie der Ostseestrand sind in wenigen Minuten zu erreichen, Sie können auch ausgedehnte Radfahr- und Wandertouren oberhalb der Steilküste unternehmen. Für den Kulturinteressierten ist Redewisch der ideale Standort, da Sie von hier aus sowohl mecklenburgische Schlösser und Herrenhäuser, Kulturfestivals als auch die Weltstädte Hamburg und Berlin mit ihren Museen, Baudenkmälern, Shoppingmöglichkeiten besuchen können.
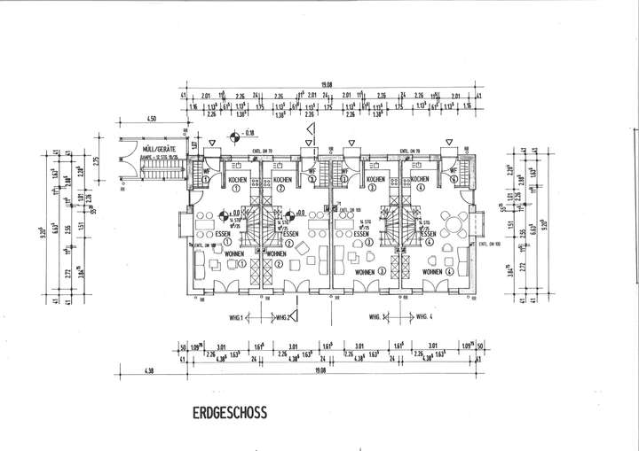
Über einen kleinen Flur/ Eingangsbereich empfängt Sie im Erdgeschoss des Reihenmittelhauses ein großzügiger sowie "offen" gestalteter Wohn-/ Essbereich mit Kaminofen und Zugang zu einer Terrasse in Südwestlage mit anliegendem Grundstücksanteil sowie einer vollständig ausgestatteten Einbauküche. Bei einem guten Buch, einem Glas Wein und knisterndem Kaminfeuer genießt man hier die Ruhe. Die sichtbaren Holzbalken im Deckenbereich verleihen dem Wohn- und Essbereich einen besonderen Charme. Im integrierten Küchenbereich bleiben kaum Wünsche offen, ausgestattet mit Geschirrspüler, Herd (Ceran), Backofen, Kühlschrank mit Gefrierfach, Mikrowelle, Kaffeemaschine, Wasserkocher, u.v.m..
Über eine viertelgewendete Holztreppe erreichen Sie das Obergeschoss sowie das ausgebaute Dachgeschoss des Reihenmittelhauses. Im Obergeschoß steht Ihnen ein geräumiges Schlafzimmer, ein Wannenbad und ein Galeriebereich zur Verfügung. Dieser Bereich ermöglicht Ihnen eine Rückzugsmöglichkeit, um entspannt ein Buch/ die Tageszeitung zu lesen oder wenn nötig, via Homeoffice zu Arbeiten. Auch in dieser Geschosslage verleihen die sichtbaren Holzbalken im Deckenbereich den Räumen ein Hauch vom „Landhausstil“.
Das ausgebaute Dachgeschoss bietet Ihnen eine weitere Schlafgelegenheit, es ist mit einem Doppelbett sowie einer kleinen Spielecke für Kinder eingerichtet. Ein Einbauschrank bietet Ihnen Stauraum für Ihre Garderobe. Ein zusätzliches TV-Gerät sorgt für etwas Unterhaltung bzw. das Lieblingsprogramm direkt vom Bett aus zu schauen.
Im Souterrain des Reihenmittelhauses befinden sich ein zusätzliches Schlafzimmer sowie ein Duschbad. An den heißesten Tagen des Jahres lässt es sich hier bei angenehmen Raumklima entspannt und ruhig schlafen.
Das Reihenmittelhaus verfügt über eine moderne sowie farblich aufeinander abgestimmte Ausstattung/ Einrichtung.
Die Reihenhausanlage ist so konzipiert, dass jede Einheit einen direkten Zugang vom Souterrain zum Gemeinschaftskeller besitzt. Hier stehen Ihnen eine Waschmaschine und ein Trockner zur gemeinschaftlichen Nutzung (gegen Gebühr) zur Verfügung. In Ihrer Freizeit kann für ein "Match" eine zur Verfügung stehende Tischtennisplatte genutzt werden.
Wer mal etwas Ruhe und Entspannung vom "Alltagsstress" braucht, zieht sich in die hauseigene Sauna (Gemeinschaftseigentum) zurück. Die Nutzung des Sauna- und Ruhebereiches ist ausschließlich den jeweiligen Wohnungseigentümern vorbehalten.
Ein Pkw-Außenstellplatz sowie eine Abstellmöglichkeit für Fahrräder runden diesen Verkaufsangebot ab.
Das Immobilienangebot ist insbesondere für den Erst- oder Zweitwohnsitz oder als Homeoffice-Alternative geeignet.
Familienglück auf 82 m² – stilvolles Reihenhaus mit durchdachter Raumaufteilung!
23946 Boltenhagen
Die vollständige Adresse der Immobilie erhalten Sie vom Anbieter.
Auf Karte anzeigen
Die vollständige Adresse der Immobilie erhalten Sie vom Anbieter.
Finanzierungszertifikat
In nur zwei Minuten zu Ihrem persönlichen Finanzierungszertifkat.
Infos
| Haustyp | Reihenmittelhaus |
|---|---|
| Etagenzahl | 4 |
| Wohnfläche ca. | 82 m2 |
| Grundstücksfläche | 175 m2 |
| Bezugsfrei ab | sofort |
| Zimmer | 4 |
| Schlafzimmer | 3 |
| Badezimmer | 2 |
| Garage/Stellplatz | Außenstellplatz |
| Anzahl Garage/Stellplatz | 1 |
Kosten
| Kaufpreis |
385.000 € |
|---|---|
| Provision |
2,98% inklusive gesetzliche Mehrwertsteuer |
Finanzierungsrechner:
Kaufpreis:
600.000 €
Eigenkapital:
600.000 €
Monatliche Rate
0 €
Effektiver Jahreszins
0 %
Sollzinsbindung
10 Jahre
Bausubstanz & Energieausweis
| Baujahr | 1998 |
|---|---|
| Bauphase | Haus fertig gestellt |
| Objektzustand | Modernisiert |
| Qualität der Austattung | Gehoben |
| Heizungsart | Zentralheizung |
| Wesentliche Energieträger | Gas |
| Energieausweis | liegt vor |
| Energieausweistyp | Verbrauchsausweis |
| Energieverbrauchskennwert | 139,1 kWh/(m²*a) |
| Energieeffizienzklasse | E |
139,1
kWh/(m²*a)
Energieeffizienzklasse E
- A+
- A
- B
- C
- D
- E
- F
- G
- H
- 0
- 25
- 50
- 75
- 100
- 125
- 150
- 175
- 200
- 225
- >250
Beschreibung des Objekts
Ausstattung
Souterrain:
- Schlafzimmer
- Duschbad
- kleiner Flur mit Zugang zum
Gemeinschaftsbereich
(Waschmaschine/ Trockner/ Sauna)
Erdgeschoss:
- kleiner Eingangsbereich/ Flur
- Wohn-/ Esszimmer mit Kamin/ Zugang
zur Terrasse und kleinem
Grundstücksanteil
- integrierte Einbauküche
Obergeschoss:
- 1 Schlafzimmer
- Galeriebereich
- 1 Wannenbad
ausgebautes Dachgeschoss:
- Schlaf-/ Spielzimmer
Lage
Wohnen im Park an der Steilküste ...
An einem der attraktivsten Standorte entlang der Ostseeküste in Traumlage, präsentiert sich der „Wohnpark Redewisch“ mit Grundstücken in Traumlage. Es ist das westlichste Baugebiet im Ostseebad Boltenhagen, direkt an der Ostsee, umrahmt von Grünflächen. Die landschaftliche Umgebung ist äußerst reizvoll, mit abwechslungsreichem Küstenverlauf von der zweithöchsten Steilküste entlang der Ostsee bis hin zum breiten, weißen steinfreien Sandstrand. Das attraktive Ostseeheilbad Boltenhagen, zweitältestes Seebad Mecklenburgs, bietet seinen Gästen und Bewohnern durch eine einmalig schöne Landschaft, selten intakte Umgebung, urwüchsiges Hinterland mit viel Kultur einen besonderen Charme. Herrliche alte Häuser in Bäderarchitektur, entstanden vor der Jahrhundertwende, harmonieren mit attraktiven Neubauten (Wohnhäuser, Einkaufspassagen, Meerwasserthermalbad, Feriendomizile und diverse Kureinrichtungen). Das Geschäftsleben, die Veranstaltungen sind nah genug, um die positiven Seiten zu nutzen. Der exklusive Standort in einem optimalen Umfeld: große Grünflächen umrahmen das entstandene Baugebiet mit schönen Reethäusern und hochwertigen Wohn- und Ferienhäusern. Das Meer hören Sie rauschen, keine Verkehrsbeeinträchtigungen – wo gibt es das noch?
Sonstige Angaben
- Kamin im Wohn-/ Essbereich
- Terrasse in Süd-/ Westlage mit
Grundstückseinfriedung
- Markise
- SAT-Anlage
- Sauna im Souterrain (Nutzung nur durch
die jeweiligen Eigentümer der
Wohnungseigentümergemeinschaft)
- abschließbarer Gemeinschaftsraum
zum Abstellen von Fahrrädern
- Waschmaschine und Trockner
(Gemeinschaftseigentum, gegen
Gebühr)
- 1 Pkw-Außenstellplatz am Objekt
Weitere Dokumente
EnergieausweisGrundriss
Grundriss Kellergeschoss
>
>
Grundriss Erdgeschoss
>
>
Grundriss Dachgeschoss
>
>
Grundriss Spitzboden
>
>
Adresse
23946 Boltenhagen
Interessante Orte
Preis- und Lageinformationen
Preistrend für Bestandsimmobilien in Boltenhagen