Willkommen in Seyde – einem idyllischen Ortsteil der Gemeinde Hermsdorf im malerischen Osterzgebirge. Hier, wo sich Wälder, Wiesen und Geschichte zu einem besonderen Ort vereinen, wartet ein denkmalgeschütztes Bauernhaus darauf, wiederbelebt zu werden.
Bereits beim Ankommen fällt der Blick auf das charaktervolle Wohnstallhaus mit angrenzender Scheune – umgeben von altem Baumbestand und eingebettet in die sanfte Hanglage eines ca. 18.600 Quadratmeter großen Grundstücks, das sich auf zwei Flurstücke verteilt. Der Großteil der landwirtschaftlichen und forstwirtschaftlichen Fläche ist derzeit bis 2036 verpachtet (mit Option auf vorzeitige Kündigung) – eine reizvolle Möglichkeit für zukünftige Eigennutzung oder als zusätzliche Einkommensquelle.
Das Hauptgebäude wurde um 1800 errichtet und spiegelt mit seiner originalen Fachwerkkonstruktion und der regionaltypischen Schindelverkleidung das traditionelle Handwerk der Region wider. Besonders das Obergeschoss trägt zur ortsbildprägenden Wirkung bei und ist auch aus baugeschichtlicher Sicht von Bedeutung.
Einige Sanierungsschritte wurden bereits mit großer Sorgfalt und unter Einsatz natürlicher Materialien durchgeführt. So wurde eine Etage auf eine zeitgemäße Raumhöhe angehoben, die Außenwände wurden mit Stampflehm ausgefacht und mit Lehmputz versehen sowie neue Deckenbalken eingezogen. In den Jahren 2024 bis 2025 erfolgte zudem eine umfassende Dachsanierung: Die Schiefereindeckung wurde erneuert, das Dach gedämmt und mit Dachflächenfenstern sowie einem Dachausstiegsfenster ausgestattet. Ergänzt wurde dies durch die Verkleidung des Schornsteins und erste Klempnerarbeiten – ein tragfähiger Ausgangspunkt für die weitere Entwicklung.
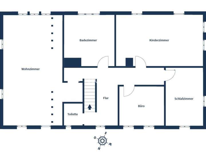
Das Erdgeschoss umfasst ca. 50,24 Quadratmeter Wohnfläche und beherbergt drei Abstellräume (inklusive ehemaligem Stall), ein geräumiges Zimmer, die Küche sowie zwei Flure. Das Obergeschoss bietet zusätzlich ca. 121,27 Quadratmeter Ausbaureserve – der Innenausbau ist begonnen, jedoch noch nicht abgeschlossen.
Ergänzt wird das Ensemble durch eine Scheune, die bereits teilweise instand gesetzt wurde und zahlreiche Möglichkeiten eröffnet: Ob Werkstatt, Atelier oder perspektivisch zusätzlicher Wohnraum – der Kreativität sind kaum Grenzen gesetzt.
Die Wasserversorgung erfolgt über einen gemeinschaftlich genutzten Brunnen, der sich auf einem angrenzenden Grundstück befindet und über eine Leitung auch zwei benachbarte Haushalte versorgt. Die Warmwasserbereitung erfolgt über elektrische Durchlauferhitzer, die Beheizung über klassische Holz- und Kohleöfen.
Wichtige Eckdaten im Überblick:
• Denkmalgeschütztes Wohnstallhaus mit Scheune (Ensembleschutz)
• Innenausbau und Ausstattung frei gestaltbar, lediglich das äußere Erscheinungsbild ist im Rahmen des Denkmalschutzes zu erhalten
• Grundstück: ca. 18.600 Quadratmeter, zwei Flurstücke (überwiegend verpachtet)
• Dachsanierung (2024/25): Schieferdeckung, Dämmung, Fenster, Schornstein
• Teilsanierung mit ökologischen Baustoffen (Lehmbauweise), neue Deckenbalken
• Scheune mit vielfältigen Nutzungsmöglichkeiten
• Bezugsfrei nach Absprache – voraussichtlich ab Ende September bzw. Anfang Oktober
Dieses Objekt ist kein Haus von der Stange – sondern ein Zuhause für Menschen, die den Wert historischer Substanz schätzen und die sich mit Herzblut und Kreativität ihren ganz eigenen Wohntraum in der Natur verwirklichen möchten.
Ob Selbstversorger, Handwerker, Künstler oder Naturliebhaber – wer Potenzial sieht, findet hier einen einzigartigen Rückzugsort mit Geschichte.
Denkmalgeschütztes Bauernhaus mit Scheune und Entwicklungspotenzial in idyllischer Lage
01776 Hermsdorf/Erzgebirge
Die vollständige Adresse der Immobilie erhalten Sie vom Anbieter.
Auf Karte anzeigen
Die vollständige Adresse der Immobilie erhalten Sie vom Anbieter.
Finanzierungszertifikat
In nur zwei Minuten zu Ihrem persönlichen Finanzierungszertifkat.
Infos
| Haustyp | Bauernhaus |
|---|---|
| Etagenzahl | 2 |
| Wohnfläche ca. | 171 m2 |
| Grundstücksfläche | 18.600 m2 |
| Bezugsfrei ab | Nach Vereinbarung |
| Zimmer | 5 |
| Schlafzimmer | 4 |
| Badezimmer | 1 |
| Garage/Stellplatz | Außenstellplatz |
| Anzahl Garage/Stellplatz | 2 |
Kosten
| Kaufpreis |
149.900 € |
|---|---|
| Provision |
3,57% vom Kaufpreis inkl. MwSt., mindestens jedoch 3200,01€. Sofern der erzielte Kaufpreis unter 89636,13€ liegt, gilt eine fest vereinbarte Mindestprovision i.H.v. 3200,01€ inkl. MwSt. |
Finanzierungsrechner:
Kaufpreis:
600.000 €
Eigenkapital:
600.000 €
Monatliche Rate
0 €
Effektiver Jahreszins
0 %
Sollzinsbindung
10 Jahre
Bausubstanz & Energieausweis
| Baujahr | 1800 |
|---|---|
| Denkmalschutzobjekt | Ja |
| Objektzustand | Renovierungsbedürftig |
| Qualität der Austattung | Einfach |
| Heizungsart | Ofenheizung |
| Wesentliche Energieträger | Kohle |
| Energieausweis | laut Gesetz nicht erforderlich |
Ausstattung
Lage
Die Lage der Immobilie im idyllischen Ortsteil Seyde, welcher zur Gemeinde Hermsdorf im Erzgebirge gehört, zeichnet sich durch ihre besondere Ruhe, die naturnahe Umgebung und die reizvolle Höhenlage auf etwa 700 Metern über dem Meeresspiegel aus. Der kleine, gewachsene Ort mit dörflichem Charakter ist geprägt von historischer Bausubstanz, verstreut liegenden Gehöften und einer weitläufigen, offenen Struktur. Die Umgebung bietet einen unverstellten Blick in die umliegende Mittelgebirgslandschaft und ist ein idealer Rückzugsort für naturverbundene Menschen, die eine entspannte und gesunde Wohnatmosphäre schätzen.
Trotz der ruhigen Lage ist Seyde verkehrstechnisch gut angebunden. In wenigen Fahrminuten erreicht man die Nachbarorte Hermsdorf und Altenberg, wo eine gut ausgebaute Infrastruktur zur Verfügung steht. Dazu gehören Einkaufsmöglichkeiten für den täglichen Bedarf, medizinische Versorgung, Apotheken sowie Cafés und Restaurants. Auch Bildungseinrichtungen wie Kindertagesstätte, Grundschule und weiterführende Schulen sind in der näheren Umgebung vorhanden, was den Standort besonders familienfreundlich macht.
Der öffentliche Personennahverkehr ist durch Buslinien gewährleistet, die regelmäßige Verbindungen in die umliegenden Gemeinden ermöglichen. Für Freizeit und Erholung sorgt die unmittelbare Nähe zu zahlreichen Wander- und Radwegen sowie im Winter ein Loipennetz für Langläufer. Die landschaftlich reizvolle Umgebung mit Wäldern, Wiesen und naturbelassenen Wegen lädt zu Aktivitäten im Freien ein. Darüber hinaus ist das gesellschaftliche Leben im Ort durch ein reges Vereinswesen und traditionelle Feste geprägt, was zu einer hohen Lebensqualität beiträgt.
Insgesamt bietet der Standort eine harmonische Verbindung aus dörflicher Idylle, guter Erreichbarkeit und hoher Freizeit- und Lebensqualität – ein idealer Platz für alle, die das Besondere im Alltag suchen.
Mit ÖPNV besteht folgende Anbindung:
Bahnhof | Seyde Gasthaus (Berghof) (circa 600 Meter)
Bahnhof | Kurort Altenberg (Erzgeb (circa 8 Kilometer)
Sonstige Angaben
Unsere Makler beraten Sie gerne persönlich per Telefon oder Videokonferenz. Schicken Sie uns einfach eine Anfrage über ImmoScout24 und registrieren Sie sich auf unserer Kundenplattform myHomeday. Einen Link zu myHomeday erhalten Sie automatisch nach Ihrer Anfrage per E-Mail. Dort können Sie die Adresse und Dokumente der Immobilie freischalten sowie direkt einen Beratungstermin buchen.
Adresse
01776 Hermsdorf/Erzgebirge
Interessante Orte
Preis- und Lageinformationen
Preistrend für Bestandsimmobilien in Hermsdorf/Erzgebirge