Dieses außergewöhnliche Einfamilienhaus aus dem Baujahr 1981 bietet auf ca. 117 m² Wohnfläche und einem Grundstück von 245 m² ein Wohnkonzept mit einzigartigem Charakter. Ursprünglich als Sparkassenfiliale errichtet, besticht das Gebäude heute durch einen ebenerdigen, großzügigen Grundriss im Erdgeschoss, offene Räume, beeindruckend hohe Decken sowie große Fenster, die ein lichtdurchflutetes Wohnambiente schaffen.
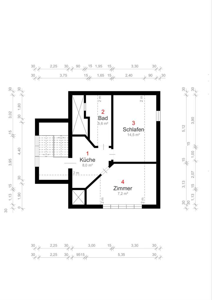
Bereits der helle, breite Eingangsbereich vermittelt ein großzügiges Raumgefühl. Von hier aus öffnet sich der weitläufige Wohn- und Essbereich, der mit seiner außergewöhnlichen Deckenhöhe und dem offenen Raumkonzept begeistert. Die moderne, neuwertige Einbauküche fügt sich harmonisch an den Wohnbereich an. Ergänzt wird das Erdgeschoss durch ein Badezimmer mit Dusche sowie ein Schlafzimmer, das ebenso flexibel als Gäste-, Arbeits- oder Rückzugsraum genutzt werden kann.
Das Obergeschoss bietet eine attraktive Besonderheit: Durch die eigenständige Erschließung über das Treppenhaus lässt sich dieser Bereich problemlos separat vermieten. Hier befinden sich eine praktische Küchenzeile, zwei schöne Schlafzimmer – ebenfalls mit hohen Decken – sowie ein eigenes Badezimmer. Perfekt geeignet als Einliegerwohnung, Büroeinheit oder für erwachsene Familienmitglieder.
Im Keller stehen ein Abstellraum, ein Technikraum sowie zwei ehemalige Kundentoiletten zur Verfügung, die ideal als zusätzliche Stau- und Nutzfläche dienen.
Das Haus wurde in zweiter Reihe zur Hauptstraße errichtet, sodass man nicht unmittelbar dem Verkehrslärm ausgesetzt ist. Vor dem Haus befinden sich zudem ein kleiner Grünbereich sowie zwei praktische Außenstellplätze – ideal für entspannte Ankunft und angenehme Wohnatmosphäre.
Attraktive Immobilie mit besonderem Charme – modernes Ein- bis Zweifamilienhaus
75236 Kämpfelbach
Die vollständige Adresse der Immobilie erhalten Sie vom Anbieter.
Auf Karte anzeigen
Die vollständige Adresse der Immobilie erhalten Sie vom Anbieter.
Finanzierungszertifikat
In nur zwei Minuten zu Ihrem persönlichen Finanzierungszertifkat.
Infos
| Haustyp | Einfamilienhaus |
|---|---|
| Etagenzahl | 2 |
| Wohnfläche ca. | 116 m2 |
| Grundstücksfläche | 245 m2 |
| Zimmer | 4 |
| Schlafzimmer | 3 |
| Badezimmer | 2 |
| Garage/Stellplatz | Außenstellplatz |
| Anzahl Garage/Stellplatz | 2 |
Kosten
| Kaufpreis |
369.000 € |
|---|---|
| Provision |
3,57% inkl. MwSt. |
Finanzierungsrechner:
Kaufpreis:
600.000 €
Eigenkapital:
600.000 €
Monatliche Rate
0 €
Effektiver Jahreszins
0 %
Sollzinsbindung
10 Jahre
Bausubstanz & Energieausweis
| Baujahr | 1981 |
|---|---|
| Bauphase | Haus fertig gestellt |
| Objektzustand | Gepflegt |
| Qualität der Austattung | Normal |
| Heizungsart | Zentralheizung |
| Wesentliche Energieträger | Öl |
| Energieausweis | liegt vor |
| Energieausweistyp | Bedarfsausweis |
| Energieverbrauchskennwert | 206,3 kWh/(m²*a) |
| Energieeffizienzklasse | G |
206,3
kWh/(m²*a)
Energieeffizienzklasse G
- A+
- A
- B
- C
- D
- E
- F
- G
- H
- 0
- 25
- 50
- 75
- 100
- 125
- 150
- 175
- 200
- 225
- >250
Beschreibung des Objekts
Ausstattung
- Arbeiten an der Elektrik 2011 und 2024
- Einbau & Anschluss Küchenzeile 2024 im OG
- Einbau moderner EBK im EG 2024
Lage
Die Immobilie befindet sich in der Hauptstraße der Gemeinde Kämpfelbach, einer attraktiven und lebenswerten Kommune im Enzkreis in Baden-Württemberg. Kämpfelbach besteht aus den Ortsteilen Ersingen und Bilfingen und zeichnet sich durch eine gute Mischung aus ländlicher Ruhe und einer soliden infrastrukturellen Anbindung aus.
Der Standort liegt an der Hauptstraße und bietet dadurch eine sehr gute Erreichbarkeit. Das Haus selbst ist jedoch einige Meter von der Straße zurückversetzt, sodass es nicht direkt dem Straßenverkehr ausgesetzt ist. Diese zurückliegende Lage sorgt für ein ruhigeres Wohnumfeld und minimiert Lärm- und Verkehrseinflüsse, ohne auf die Vorteile einer zentralen Lage verzichten zu müssen.
In unmittelbarer Umgebung befinden sich diverse Einkaufsmöglichkeiten für den täglichen Bedarf, darunter Supermärkte, Bäckereien und weitere Dienstleister. Ergänzend stehen in den nahegelegenen Städten Pforzheim und Bretten umfangreiche Einkaufs-, Freizeit- und Kulturangebote zur Verfügung.
Die Verkehrsanbindung ist sehr gut: Über die nahegelegene Bundesstraße B10 sowie die Autobahnen A8 (Karlsruhe–Stuttgart) und A5 (Karlsruhe–Frankfurt) sind umliegende Städte und Ballungsräume schnell erreichbar. Der öffentliche Personennahverkehr ist durch Bus- und Bahnverbindungen gut ausgebaut und ermöglicht eine bequeme Anbindung an Pforzheim, Karlsruhe sowie weitere regionale Ziele.
Insgesamt bietet die Lage eine gelungene Kombination aus ruhigem Wohnen, guter Infrastruktur und hervorragender Verkehrsanbindung, die sowohl für Familien als auch für Berufspendler attraktiv ist.
Grundriss
EG
>
>
DG
>
>
UG
>
>
Adresse
75236 Kämpfelbach
Interessante Orte
Preis- und Lageinformationen
Preistrend für Bestandsimmobilien in Kämpfelbach