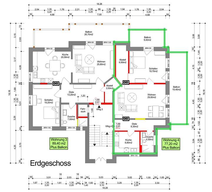
Diese gepflegte 2-Zimmer-Wohnung in Bad Harzburg bietet Ihnen 102m² Wohnfläche aufgeteilt auf ein helles Wohn-/Schlafzimmer, einen großzügigen Flur, eine moderne Küche sowie ein Tageslicht-Duschbad. Praktische Abstellflächen bieten zusätzlichen Stauraum.
Besonders hervorzuheben ist die beeindruckende Balkonfläche von insgesamt 26,70m² m² die Ihnen viel Platz zum Entspannen im Freien bieten.
Die Wohnung befindet sich in einem kürzlich komplett modernisierten Gebäude, das keine Wünsche offen lässt. Ein Stellplatz und ein Kellerraum gehören ebenfalls zur Einheit.
Die Wohnung wird frühestens zum 01.12.2025 zur Verfügung gestellt. Auf Wunsch kann ein Teil des Mobiliars gegen Ablöse übernommen werden.
Ideal für alle, die modernes Wohnen in einer ruhigen und dennoch zentralen Lage suchen!
Ein Energieausweis ist aufgrund des vorliegenden Denkmalschutzes nicht erforderlich.
Die Balkonflächen werden zu 50% der Wohnfläche angerechnet.
Modernes Wohnen in zentrumsnähe von Bad Harzburg
38667 Bad Harzburg
Die vollständige Adresse der Immobilie erhalten Sie vom Anbieter.
Auf Karte anzeigen
Die vollständige Adresse der Immobilie erhalten Sie vom Anbieter.
Infos
| Wohnungskategorie | Erdgeschosswohnung |
|---|---|
| Wohnfläche ca. | 102 m2 |
| Bezugsfrei ab | 01.01.2026 |
| Zimmer | 2 |
| Schlafzimmer | 1 |
| Badezimmer | 1 |
| Garage/Stellplatz | Außenstellplatz |
| Anzahl Garage/Stellplatz | 1 |
Kosten
| Kaltmiete |
1.100 € |
|---|---|
| Nebenkosten | + 350 € |
| Heizkosten | in Nebenkosten enthalten |
| Gesamtmiete | 1.450 € |
| Kaution o. Genossenschaftsanteile | 2.200,00 |
Weiter mieten oder doch kaufen?
Wer in Miete wohnt, überweist dem Vermieter im Laufe der Jahre hohe Summen, die sich
auch in die eigenen vier Wände investieren lassen könnten.
Bausubstanz & Energieausweis
| Objektzustand | Neuwertig |
|---|---|
| Qualität der Austattung | Gehoben |
| Energieausweis | laut Gesetz nicht erforderlich |
Beschreibung des Objekts
Ausstattung
- Neuwertige EBK mit Geschirrspüler, Backofen u. Einbaukühlschrank
- Bad mit Dusche
- Abstellkammer
- Schlafzimmer
- Wohnzimmer
- Großzügiger Flur
- Balkon mit Blick auf den Burgberg
- PKW Stellplatz
Lage
Toplage in direkter Nähe des Bad Harzburger Kurviertels. Alle Annehmlichkeiten in kürzester Zeit zu Fuß zu erreichen. Zur schönsten Bummelallee des Harzes sind es nur wenige Schritte. Geschäfte, Supermärkte, Restaurants usw. befinden sich in unmittelbarer Nähe. Ein idealer Ausgangspunkt für Wanderungen im Harz. Auch der Bad Harzburger Baumwipfelpfad ist fußläufig erreichbar.
Sonstige Angaben
Sie haben Interesse an diesem Mietangebot?
Bitte übersenden Sie uns im Voraus einige Informationen:
- Zu wann möchten Sie einziehen?
- Wer soll einziehen?
- Was machen Sie aktuell beruflich?
Durch die Beantwortung erhöhen Sie die Chance zur Besichtigung eingeladen zu werden.
Wir bedanken uns im Vorfeld.
Grundriss
>
Adresse
38667 Bad Harzburg
Interessante Orte
Preis- und Lageinformationen
Preistrend für Bestandsimmobilien in Bad Harzburg